|
|
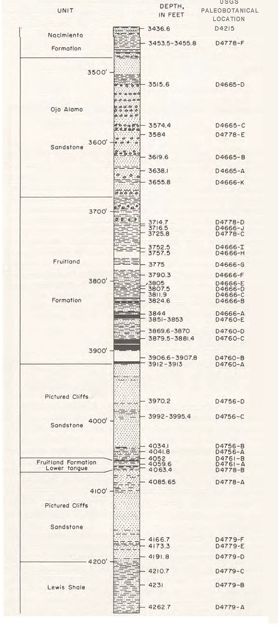
Figure 53. Stratigraphic column of Gasbuggy 1 drill core (from Tschudy 1973, figure 1). Depths on left side of column in feet below Kelly Bushing of drill rig (10 ft above ground level). Depths in feet on right side of column are levels of samples collected for palynologic analysis; USGS paleobotanic sample numbers for samples also shown.
|