next up previous
Next: 7.3 Splines cúbicos Up: 7. Interpolación Previous: 7.1 Polinomios de interpolación

7.2 Interpolación de splines

Una función spline está formada por varios polinomios, cada uno definido sobre un subintervalo, que se unen entre sí obedeciendo a ciertas condiciones de continuidad.

Supongamos que disponemos de n+1 puntos, a los que denominaremos nudos, tales que $t_{0} < t_{1} < \cdots < t_{n}$. Supongamos además que se ha fijado un entero $k \geq 0$. Decimos entonces que una función spline de grado k con nudos en $t_{0}, t_{1},\dots, t_{n}$ es una función S que satisface las condiciones:

(i)
en cada intervalo $\left[ t_{i-1},t_{i} \right)$, S es un polinomio de grado menor o igual a k.
(ii)
S tiene una derivada de orden (k-1) continua en $\left[ t_{0},t_{n} \right]$.
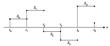
Los splines de grado 0 son funciones constantes por zonas. Una forma explícita de presentar un spline de grado 0 es la siguiente:
\begin{displaymath}S(x) = \left\{\begin{array}{ll}S_{0}(x) = c_{0} & x \in \......{n-1} & x \in \left[ t_{n-1},t_{n} \right)\end{array}\right.\end{displaymath}

Los intervalos $\left[ t_{i-1},t_{i} \right)$ no se intersectan entre sí, por lo que no hay ambigüedad en la definición de la función en los nudos. Un spline de grado 1 se puede definir por:

\begin{displaymath}S(x) = \left\{\begin{array}{ll}S_{0}(x) = a_{0}x+b_{0} & ......{n-1} & x \in \left[ t_{n-1},t_{n} \right)\end{array}\right.\end{displaymath}
 

En las figuras (16) y (17) se muestran las gráficas correspondientes a los splines de grado cero y de grado 1 respectivamente.
 
 

   
Figure: Spline de grado 0 con seis puntos.
[scale=1.0]eps/spline-1
  
   
Figure: Spline de grado 1 con seis puntos.
[scale=1.0]eps/spline-2
  


next up previous
Next: 7.3 Splines cúbicos Up: 7. Interpolación Previous: 7.1 Polinomios de interpolación 
Wladimiro Diaz Villanueva

1998-05-11